Share on Google+Share on FacebookShare on LinkedInShare on TwitterShare on DiggShare on Stumble Upon
Custom Search
 
  

SCISSOR MECHANISM.- The scissor mechanism (25) (fig. 6-20) (also shown in fig. 6-21) is located on top of the main beam assembly upper body of the time-release mechanism.

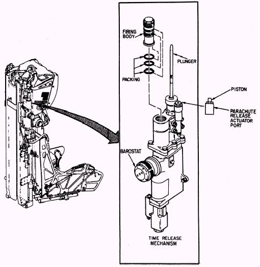
TIME-RELEASE MECHANISM.- The time-release mechanism (TRM) (23) (fig. 6-20) (also shown in fig. 6-22) is mounted on the out-board side of the right beam. The TRM automatically releases the drogue parachutes, deploys the personnel parachute, and releases the pilot from the ejection seat at the proper time in the ejection sequence. The TRM consists of a time-delay mechanism, barostat assembly, barostatic g-controller, spring-loaded firing mechanism, connecting rod,

Figure 6-22.- Time-release mechanism.

cartridge, and a shackle plunger assembly. The shackle plunger is secured in the scissor shackle plunger housing to lock the scissor mechanism in the closed position, as shown in figure 6-21. In this position, the drogue shackle is secured to the ejection seat. Gas lines connect the TRM to the manual override initiator and to the secondarys cartridge of the drogue gun. A piston located on top of the upper body engages the parachute mechanical lock to secure the personnel para-chute.

The TRM 1.5-second time-delay mechanism delays seat/ man separation and deployment of the personnel parachute until the drogue parachutes stabilize and decelerate the ejection seat. The barostat assembly delays the deployment of the personnel parachute until the pilot and the ejection seat descend to 14,500 feet. This delay prevents prolonged descent in the upper atmosphere. When ejection occurs above 7,500 feet, a barostat g-controller delays the deployment of the personnel parachute until deceleration loads are less than 3 g's.



Managed Security Service Provider
 


Privacy Statement - Copyright Information. - Contact Us

Integrated Publishing, Inc. - A (SDVOSB) Service Disabled Veteran Owned Small Business