Share on Google+Share on FacebookShare on LinkedInShare on TwitterShare on DiggShare on Stumble Upon
Custom Search
 
  

Primary Ejection Control 

Pull forward and down on the primary ejection control handle (face curtain handle) to

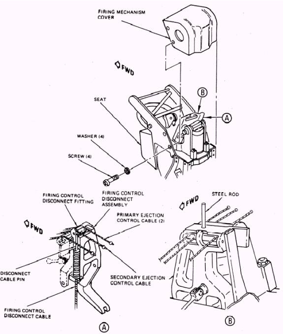
Figure 6-14.- Rocket catapult to seat connections.

disengage the handle plungers from their detent the face curtain until the cable ball ends pull retainers. Reach behind the seat and move the free. firing control disconnect cable (fig. 6-15, call-Inspect the screen assembly for damage or out A) sideways to unlock the firing control deterioration and that it has a valid expiration disconnect fitting. Continue to slowly pull on date, if applicable. Reinstall the face curtain.

Figure 6-15.- Firing control disconnect fitting and pin.

Ensure that the face curtain screens convex surface is facing upward. Feed the two screen cables through their respective grommets in the back wall of the curtain stowage compartment. Fold the curtain into accordian pleats and stow in the compartment. Snap the screen handle plungers into their retainer detents, ensuring that there is no fabric lodged between the plungers and detents. Insert the screen cable ball ends into their respective slots in the firing control disconnect fitting. Ensure that the secondary ejection control cable ball end (center one) is installed in the disconnect fitting also. Rotate the top of the fitting aft until the fitting is reset. With the screen

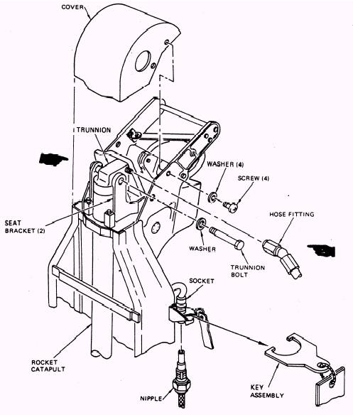
assembly pull test adapter and push-pull spring scale in place, perform the ejection controls pull test (fig. 6-16) on the face curtain by pulling for-ward and downward on the face curtain handle observing the force required to unseat the plungers from their retainers detents. The force must be 30 10 pounds. Fold and restow the face curtain.



Managed Security Service Provider
 


Privacy Statement - Copyright Information. - Contact Us

Integrated Publishing, Inc. - A (SDVOSB) Service Disabled Veteran Owned Small Business